
Lpthanh.plm@gmail.com
Ho Chi Minh, Viet Nam

P&ID Design
Process diagrams help with the design of such projects as ships and plants by empowering you to define sizes and equipment types, and to prove system operation prior to committing any time to 3D design.
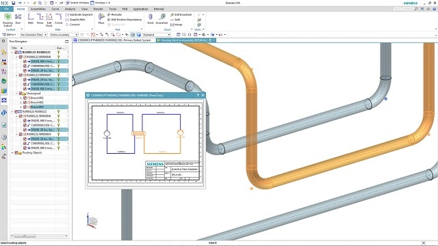
NX enables engineers to lay out piping and instrumentation diagrams (P&ID) in two dimensions, while maintaining the design tied to the 3D space model. P&ID Designer powers faster authoring, common libraries between diagramming and 3D, connectivity validation, diagramming to 3D, and equipment-level data management.
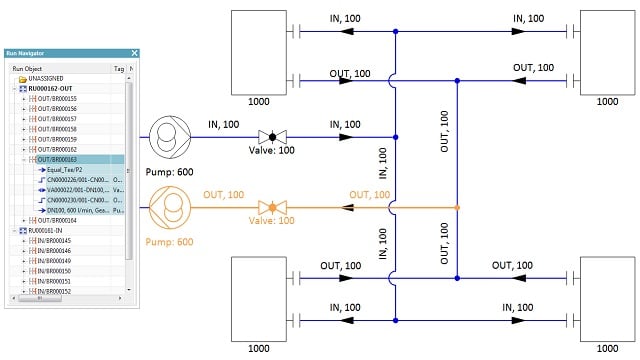
Verify that pipes and their connected equipment are compatible prior to sending the diagram to the routing team. P&ID Designer checks to validate that pipe diameters, connection disciplines, and connection types are consistent between equipment, allowing you to create more accurate diagrams the first time, thereby reducing costly rework or manufacturing errors.


P&ID Designer helps you minimize design duplication by leveraging data created in 2D for the 3D design process. With P&ID Designer you can move diagram data to 3D routing. Runs opened in 3D include all equipment and from-to information. Display the diagram during routing to visualize how the 3D route maps back to the diagram.
NX P&ID Designer is built on Teamcenter, which stores and manages all aspects of a diagram. This single source of accurate, approved, up-to-date information empowers you to control every aspect of a diagram and supports reuse.


With NX P&ID Designer you can quickly and easily create P&ID diagrams. A shared library for pipes and equipment makes placement fast and simple. Navigators for tracking runs and systems help to visualize how diagrams are organized. P&ID Designer helps you focus on the design and spend less time on diagram creation.
Common libraries between diagramming and routing in P&ID Designer help you ensure that the right equipment is used from design to manufacturing. Connectivity designed in 2D is carried to 3D thanks to a shared connection map between equipment ports, and libraries link both 2D diagramming symbols and the associated 3D models.

Get the latest tips, software updates and promos.